欢迎进入内蒙古祺韵光迅科技有限公司官方网站!

行业资讯

位置:首页 > 新闻中心 > 行业资讯

【干货分享】100个PLC和传感器的工作原理动图

字体:[ ] 浏览次数:1684次 发布时间:2022-05-10 关闭



      PLC控制系统,Programmable Logic Controller,可编程逻辑控制器,专为工业生产设计的一种数字运算操作的电子装置,它采用一类可编程的存储器,用于其内部存储程序,执行逻辑运算,顺序控制,定时,计数与算术操作等面向用户的指令,并通过数字或模拟式输入/输出控制各种类型的机械或生产过程,是工业控制的核心部分。


      可编程逻辑控制器(Programmable Logic Controller,PLC),一种具有微处理器的用于自动化控制的数字运算控制器,可以将控制指令随时载入内存进行储存与执行。可编程控制器由CPU、指令及数据内存、输入/输出接口、电源、数字模拟转换等功能单元组成。早期的可编程逻辑控制器只有逻辑控制的功能,所以被命名为可编程逻辑控制器,后来随着不断地发展,这些当初功能简单的计算机模块已经有了包括逻辑控制、时序控制、模拟控制、多机通信等各类功能,名称也改为可编程控制器(Programmable Controller),但是由于它的简写PC与个人电脑(Personal Computer)的简写相冲突,加上习惯的原因,人们还是经常使用可编程逻辑控制器这一称呼,并仍使用PLC这一缩写。


      自二十世纪六十年代美国推出可编程逻辑控制器(Programmable Logic Controller,PLC)取代传统继电器控制装置以来,PLC得到了快速发展,在世界各地得到了广泛应用。PLC的生产厂商很多,如罗克韦尔(AB)、西门子、施耐德、三菱、台达等,几乎涉及工业自动化领域的厂商都会有其PLC产品提供。同时,PLC的功能也不断完善。随着计算机技术、信号处理技术、控制技术网络技术的不断发展和用户需求的不断提高,PLC在开关量处理的基础上增加了模拟量处理和运动控制等功能。今天的PLC不再局限于逻辑控制,在运动控制、过程控制等领域也发挥着十分重要的作用。来学习一下这些动图吧!





PLC顺序控制



图片





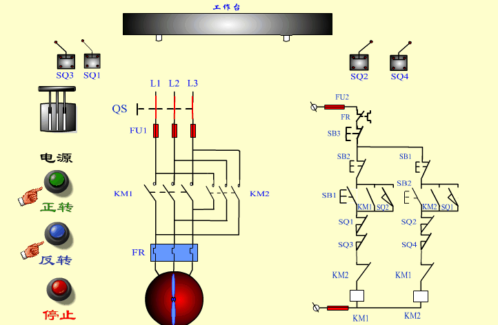
PLC正反转控制



图片





按钮开关



图片





冲孔加工



图片





断电延时型时间继电器



图片





多点控制



图片





滚轮式行程开关



图片





交通信号灯



图片





机械手



图片





交流接触器



图片





热继电器



图片





三相闸刀



图片





时间继电器



图片





手动控制



图片






速度继电器



图片





星三角启动



图片





异步电动机转动原理



图片





自动往返控制



图片





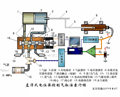
传感器工作原理动图



图片
图片
图片
图片
图片
图片
图片
图片
图片
图片
图片
图片
图片
图片
图片
图片
图片
图片
图片
图片
图片
图片
图片
图片
图片
图片
图片
图片
图片
图片
图片
图片
图片
图片
图片
图片
图片
图片
图片
图片
图片
图片
图片
图片
图片
图片
图片
图片
图片
图片
图片
图片
图片
图片
图片
图片
图片
图片
图片
图片
图片
图片
图片
图片
图片
图片
图片
图片
图片
图片
图片
图片
图片
图片
图片
图片
图片
图片
图片
图片

      —— 本文转网络内容,侵删!


免责声明:本文由内蒙古祺韵光迅科技有限公司员工撰写或者网上转载,观点仅代表作者本人,不代表内蒙古祺韵光迅科技有限公司立场。如有侵权或其它问题,请联系我们处理。

本网转载的并注明自其他来源的作品,目的在于传递更多信息,并不代表本网赞同其观点或证实其内容真实性,不承担此类作品侵权行为的直接负责及连带责任。如涉及作品内容、版权等问题,请在作品发表之日起一周内与我们联系,否则视为放弃相关权利。


相关推荐
  • 工业生产中,什么样的报警预警器才够灵活?

    工业生产中,什么样的报警预…

    工业生产中,什么样的报警预警器才够灵活?工业生产不断更新迭代,智能制造也越来越深入到现代化生产的全过程当中。随着数字时代的高速发展,生产运营…

    [详细]
  • 罗克韦尔自动化全新微控系统与设计软件——CCW V20.01

    罗克韦尔自动化全新微控系统…

    “智”控设计 | 罗克韦尔自动化全新微控系统与设计软件目前,随着行业市场需求的日益增长以及对技术的严苛要求,罗克韦尔自动化推出Allen-B…

    [详细]
  • 罗家智慧矿山——海拔5000米矿山的智慧开采

    罗家智慧矿山——海拔500…

    洁白的雪山、青青的牧草、仿佛伸手就能触碰到的澄澈天空,在世界屋脊西藏,高海拔地区独有的风貌不仅带给人们天人合一的美,同时在辽阔的净土之下,还…

    [详细]
  • PLEX 智能制造平台让“智”造成为“新常态”

    PLEX 智能制造平台让“…

    在当今的环境下,制造企业举步维艰,每天都面临着重重压力。全球化的快速推进、技术的不断进步、消费者的偏好不断变化、政策法规的日趋严格等都在持续…

    [详细]

版权所有:内蒙古祺韵光迅科技有限公司  网站建设国风网络  网站地图  蒙ICP备15002091号 蒙公网安备 15010302000582号 电子营业执照

TOP