欢迎进入内蒙古祺韵光迅科技有限公司官方网站!

行业资讯

位置:首页 > 新闻中心 > 行业资讯

常见的照明控制原理图

字体:[ ] 浏览次数:1453次 发布时间:2017-11-14 关闭


用三个开关控制一盏灯电路


将两个功率相同的110V白炽灯接在220V电源上使用的电路


低压小灯泡在220V电源上使用的电路


用二极管延长白炽灯寿命的电路


简单的晶闸管调光灯电路


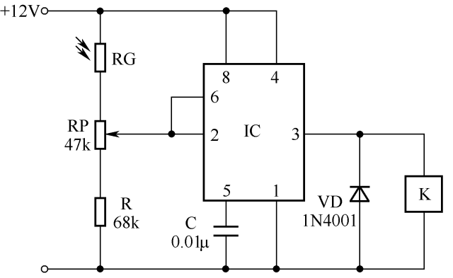
用555集成电路组成的光控等电路


无极调光台灯电路


路灯光电控制电路


照明灯自动延时关灯电路



楼房走廊照明灯自动延时关灯电路


人体感应延时灯光控制电路


晶闸管自动延时照明开关电路


门控自动灯电路


广告创意16功能彩灯控制电路


简易光控路障灯电路


自动调光灯电路


节日彩灯——满天星霓虹灯电路


鸟鸣彩灯串电路


声控音乐彩灯电路


简易流动闪光灯电路


大功率“流水式”广告彩灯控制电路


氖泡微光灯电路


霓虹灯供电电路


霓虹灯闪光电路


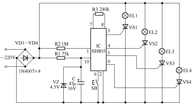
应急照明灯电路


微光调光定时有线遥控器电路


电话自控照明灯电路


声光控自动照明灯电路



相关推荐
  • 工业生产中,什么样的报警预警器才够灵活?

    工业生产中,什么样的报警预…

    工业生产中,什么样的报警预警器才够灵活?工业生产不断更新迭代,智能制造也越来越深入到现代化生产的全过程当中。随着数字时代的高速发展,生产运营…

    [详细]
  • 罗克韦尔自动化全新微控系统与设计软件——CCW V20.01

    罗克韦尔自动化全新微控系统…

    “智”控设计 | 罗克韦尔自动化全新微控系统与设计软件目前,随着行业市场需求的日益增长以及对技术的严苛要求,罗克韦尔自动化推出Allen-B…

    [详细]
  • 罗家智慧矿山——海拔5000米矿山的智慧开采

    罗家智慧矿山——海拔500…

    洁白的雪山、青青的牧草、仿佛伸手就能触碰到的澄澈天空,在世界屋脊西藏,高海拔地区独有的风貌不仅带给人们天人合一的美,同时在辽阔的净土之下,还…

    [详细]
  • PLEX 智能制造平台让“智”造成为“新常态”

    PLEX 智能制造平台让“…

    在当今的环境下,制造企业举步维艰,每天都面临着重重压力。全球化的快速推进、技术的不断进步、消费者的偏好不断变化、政策法规的日趋严格等都在持续…

    [详细]

版权所有:内蒙古祺韵光迅科技有限公司  网站建设国风网络  网站地图  蒙ICP备15002091号 蒙公网安备 15010302000582号 电子营业执照

TOP