欢迎进入内蒙古祺韵光迅科技有限公司官方网站!

行业资讯

位置:首页 > 新闻中心 > 行业资讯

电力拖动控制线路图大全

字体:[ ] 浏览次数:1092次 发布时间:2017-05-30 关闭

电力拖动是指用电动机拖动生产机械的工作机构使之运转的一种方法。它包括电源,电动机,控制设备,传动机构。要想机械完成一定的工艺,就要求电动机按工艺要求完成不同的旋转方式,用某一种线路连接控制设备使之达到要求,这些线路就是电力拖动控制线路。

它包括有:点动线路,连续运转电路,正反转电路,多地控制线路,降压启动线路,多速异步电动机控制线路,位置控制线路等。这些都是电力拖动控制线路。

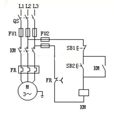
1、电动机连续运转控制原理图


2、电动机点动控制原理图


3、接触器控制的正反转电路


4、双重联锁正反转控制电路


5、自动往返控制电路原理图


6、多地控制


7、顺序控制—先启后停



8、顺序控制—先启先停


9、三相笼型异步电动机定子绕组串电阻起动


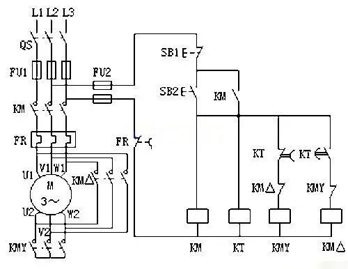
10、Y—△降压起动控制


11、自耦变压器降压启动


12、电动机耗制动控制电路的原理图

13、单向反接制动控制电路


相关推荐
  • 工业生产中,什么样的报警预警器才够灵活?

    工业生产中,什么样的报警预…

    工业生产中,什么样的报警预警器才够灵活?工业生产不断更新迭代,智能制造也越来越深入到现代化生产的全过程当中。随着数字时代的高速发展,生产运营…

    [详细]
  • 罗克韦尔自动化全新微控系统与设计软件——CCW V20.01

    罗克韦尔自动化全新微控系统…

    “智”控设计 | 罗克韦尔自动化全新微控系统与设计软件目前,随着行业市场需求的日益增长以及对技术的严苛要求,罗克韦尔自动化推出Allen-B…

    [详细]
  • 罗家智慧矿山——海拔5000米矿山的智慧开采

    罗家智慧矿山——海拔500…

    洁白的雪山、青青的牧草、仿佛伸手就能触碰到的澄澈天空,在世界屋脊西藏,高海拔地区独有的风貌不仅带给人们天人合一的美,同时在辽阔的净土之下,还…

    [详细]
  • PLEX 智能制造平台让“智”造成为“新常态”

    PLEX 智能制造平台让“…

    在当今的环境下,制造企业举步维艰,每天都面临着重重压力。全球化的快速推进、技术的不断进步、消费者的偏好不断变化、政策法规的日趋严格等都在持续…

    [详细]

版权所有:内蒙古祺韵光迅科技有限公司  网站建设国风网络  网站地图  蒙ICP备15002091号 蒙公网安备 15010302000582号 电子营业执照

TOP