欢迎进入内蒙古祺韵光迅科技有限公司官方网站!

行业资讯

位置:首页 > 新闻中心 > 行业资讯

常用按钮开关的全方位介绍

字体:[ ] 浏览次数:1004次 发布时间:2017-04-04 关闭

一、按钮的功能


按钮是一种用人体某一部分(一般为手指或手掌)施加力而操作、并具有弹簧储能复位的控制开关,是一种最常用的主令电器。按钮的触头允许通过的电流较小,一般不超过5A。因此,一般情况下它不直接控制主电路(大电流电路)的通断,而是在控制电路(小电流电路)中发出指令信号,控制接触器、继电器等电器,再由他们去控制主电路的通断、功能转换或电器联锁。



二、按钮的结构原理与符号


按钮一般由按钮帽、复位弹簧、桥式动触头、静触头、支柱连杆及外壳等部分组成。


按钮不受外力作用(即静态)时触头的分合状态,分为停止按钮(即动断按钮)、启动按钮(即动合按钮)和复合按钮(即动合、动断触头组合为一体的按钮)。



当按钮受外力作用下,触头的分合状态发生改变:



三、按钮颜色的含义



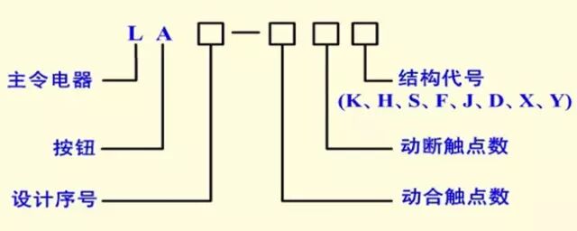
四、按钮的型号及含义



五、按钮结构形式代号


K—开启式,镶嵌在操作面板上;

H—保护式,带保护外壳,可防止内部零件受机械损伤或人偶然触及带电部分;

六、按钮的型号及含义

S—防水式,具有密封外壳,可防止雨水侵入;

F—防腐式,能防止腐蚀性气体进入;

J—紧急式,带有红色大蘑菇按钮(突出在外),做紧急切断电源用;

X—旋钮式,用旋钮旋转进行操作,有通和断两个位置;

Y—钥匙操作式,用钥匙插入进行操作,可防止误操作或供专人操作;

D—光标按钮,按钮内装有信号灯,兼做信号指示。


七、按钮的选用


1、根据使用场合和具体用途选择按钮的种类。例如,嵌装在操作面板上的按钮可选用开启式;需显示工作状态的选用光标式;需要防止人员误操作的重要场合宜用钥匙操作式;在有腐蚀性气体处要用防腐式。

2、根据工作状态指示和工作情况要求,选择按钮的颜色。例如,启动按钮可选用白、灰或黑色,优先选用白色也可以选用绿色。急停按钮应选用红色。停止按钮可选用黑、灰或白色,优先用黑色,也可以用红色。

3、根据控制回路的需要选择按钮的数量。如单联钮、双联钮和三联钮等。


八、按钮的常见故障及处理方法



相关推荐
  • 工业生产中,什么样的报警预警器才够灵活?

    工业生产中,什么样的报警预…

    工业生产中,什么样的报警预警器才够灵活?工业生产不断更新迭代,智能制造也越来越深入到现代化生产的全过程当中。随着数字时代的高速发展,生产运营…

    [详细]
  • 罗克韦尔自动化全新微控系统与设计软件——CCW V20.01

    罗克韦尔自动化全新微控系统…

    “智”控设计 | 罗克韦尔自动化全新微控系统与设计软件目前,随着行业市场需求的日益增长以及对技术的严苛要求,罗克韦尔自动化推出Allen-B…

    [详细]
  • 罗家智慧矿山——海拔5000米矿山的智慧开采

    罗家智慧矿山——海拔500…

    洁白的雪山、青青的牧草、仿佛伸手就能触碰到的澄澈天空,在世界屋脊西藏,高海拔地区独有的风貌不仅带给人们天人合一的美,同时在辽阔的净土之下,还…

    [详细]
  • PLEX 智能制造平台让“智”造成为“新常态”

    PLEX 智能制造平台让“…

    在当今的环境下,制造企业举步维艰,每天都面临着重重压力。全球化的快速推进、技术的不断进步、消费者的偏好不断变化、政策法规的日趋严格等都在持续…

    [详细]

版权所有:内蒙古祺韵光迅科技有限公司  网站建设国风网络  网站地图  蒙ICP备15002091号 蒙公网安备 15010302000582号 电子营业执照

TOP