欢迎进入内蒙古祺韵光迅科技有限公司官方网站!

行业资讯

位置:首页 > 新闻中心 > 行业资讯

常见的电气图纸

字体:[ ] 浏览次数:1129次 发布时间:2017-03-14 关闭

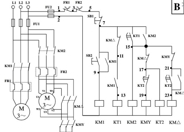
本文主要涉及以下内容:

1、标准的电气制图 制图规范的说明和总结。

2、分享了几张常见的电气图纸【不复杂但是实用】。






























相关推荐
  • 工业生产中,什么样的报警预警器才够灵活?

    工业生产中,什么样的报警预…

    工业生产中,什么样的报警预警器才够灵活?工业生产不断更新迭代,智能制造也越来越深入到现代化生产的全过程当中。随着数字时代的高速发展,生产运营…

    [详细]
  • 罗克韦尔自动化全新微控系统与设计软件——CCW V20.01

    罗克韦尔自动化全新微控系统…

    “智”控设计 | 罗克韦尔自动化全新微控系统与设计软件目前,随着行业市场需求的日益增长以及对技术的严苛要求,罗克韦尔自动化推出Allen-B…

    [详细]
  • 罗家智慧矿山——海拔5000米矿山的智慧开采

    罗家智慧矿山——海拔500…

    洁白的雪山、青青的牧草、仿佛伸手就能触碰到的澄澈天空,在世界屋脊西藏,高海拔地区独有的风貌不仅带给人们天人合一的美,同时在辽阔的净土之下,还…

    [详细]
  • PLEX 智能制造平台让“智”造成为“新常态”

    PLEX 智能制造平台让“…

    在当今的环境下,制造企业举步维艰,每天都面临着重重压力。全球化的快速推进、技术的不断进步、消费者的偏好不断变化、政策法规的日趋严格等都在持续…

    [详细]

版权所有:内蒙古祺韵光迅科技有限公司  网站建设国风网络  网站地图  蒙ICP备15002091号 蒙公网安备 15010302000582号 电子营业执照

TOP